Texas Instruments TAx5x42EVM-K Evaluation Modules (EVMs)

Texas Instruments TAx5x42EVM-K Evaluation Modules (EVMs) allow the user to test the capabilities of various TI audio CODECs, ADCs, and DACs. The TAC5242 is a two-channel hardware control high-performance Codec. The TAC5142 is a two-channel hardware control Codec. The TAD5242 is a two-channel hardware control high-performance ADC. The TAA5242 is a two-channel hardware control high-performance DAC, and the TAD5142 is a two-channel hardware control DAC. The evaluation modules are paired with the AC-MB, a flexible motherboard that provides power, control, and digital audio data to the evaluation module. The configuration for the Texas Instruments TAC5242, TAC5142, TAA5242, TAD5242, or TAD5142 device is done through the various Multi-Function pins (MD0 - MD6).

Features

  • High-performance Mono/Stereo Codec with a dynamic range of 120dB DAC and 115dB ADC
  • Standard performance Mono/Stereo Codec with a dynamic range of 106dB DAC and 102dB ADC
  • On-board microphones provided for voice recording testing
  • Direct access to digital audio signals and control interface for simple end-system integration
  • USB connection to PC provides power, control, and streaming audio data for easy evaluation

Kit Contents

  • TAC5242, TAC5142, TAA5242, TAD5242 or TAD5142 device
  • TAx5x42EVM daughterboard
  • AC-MB controller/motherboard
Texas Instruments TAx5x42EVM-K Evaluation Modules (EVMs)

Applications

  • AV receivers
  • Video conference systems
  • IP network camera
  • Speakers

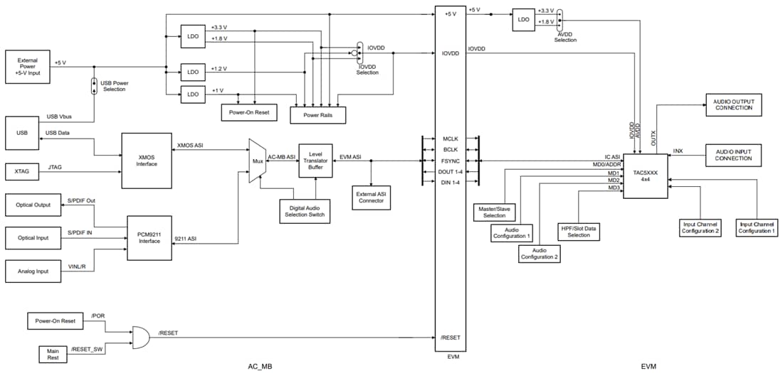
Block Diagram

Block Diagram - Texas Instruments TAx5x42EVM-K Evaluation Modules (EVMs)

Board Layout

Mechanical Drawing - Texas Instruments TAx5x42EVM-K Evaluation Modules (EVMs)
Publicado: 2024-12-16 | Actualizado: 2025-02-27