Eaton Electronics 6125 Series Brick Fuses

Eaton Electronics 6125 Brick Fuses are surface mount brick fuses which are also solder immersion compatible. The 6125FF series are fast-acting and feature inrush current protection. The 6125TD series are time-delay type, complies with EIA-IS-722 standards, and are designed to carry rated currents for four hours minimum. The 6125FA series are fast-acting and feature overcurrent protection of systems up to 125VAC/DC.

Features

  • 6125FF
    • Fast-acting surface mount fuse
    • Overcurrent protection of systems up to 125VAC/72VDC
    • High inrush withstand capability
    • Solder immersion compatible
  • 6125TD
    • Time-delay surface mount fuse
    • Satisfies the EIA/IS-722 Standard
    • Solder immersion compatible

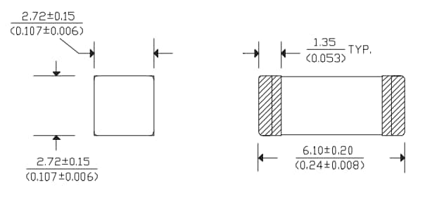
6125FF Dimensions

Eaton Electronics 6125 Series Brick Fuses

6125TD Dimensions

Eaton Electronics 6125 Series Brick Fuses
Publicado: 2008-02-21 | Actualizado: 2024-10-07