DISPLAY VISIONS EA TFT035-34AI 3.5" TFT IPS Display
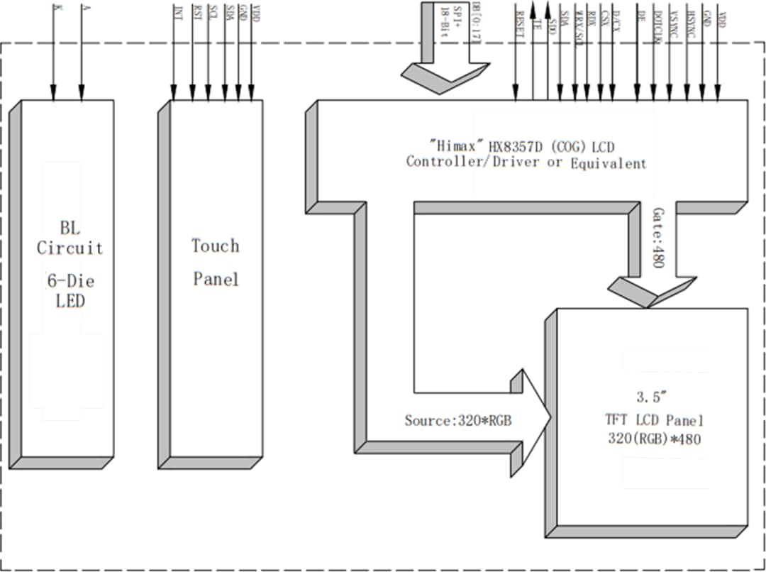
DISPLAY VISIONS EA TFT035-34AI 3.5" TFT IPS Display provides an extremely fine resolution, wide viewing angles, and excellent sunlight readability. This 3.5" display module features a 320 x 480 resolution and 850cd/m2 to 1000cd/m2 brightness for a brilliant image. The IPS technology used in this display preserves the crisp and sharp contrast over a wide viewing angle of 80°. The EA TFT035-34AI Display includes an integrated HX8357D controller and provides 18-bit RGB, 8/16-bit parallel, and SPI interface options on a single FPC cable.The DISPLAY VISIONS EA TFT035-34AI 3.5" TFT IPS Display is offered with and without an optional Projected Capacitive (PCAP) touch panel.
Features
- 3.5" display with IPS technology
- 320 x 480 resolution
- 49.0mm x 73.5mm viewable area
- Optional optically bonded PCAP touch panel with I2C interface
- Super bright display
- 850cd/m2 with PCAP touch panel
- 1000cd/m2 without PCAP touch panel
- 6-die white LED backlight
- 3.3V supply voltage
- Integrated Himax HX8357D controller
- Interface options
- 18-bit RGB
- 8-bit parallel
- 16-bit parallel
- SPI
- Wide -20°C to +70°C operating temperature range
- Industrial grade display
- Display module dimensions
- 65.0mm x 100.0mm x 4.35mm with PCAP touch panel
- 54.7mm x 83.0mm x 2.2mm without PCAP touch panel
Applications
- Avionics
- Industrial controls
- Medical devices
- Defense applications
- Vacuum gauges
- Energy controls
- Handheld devices
- Laboratory equipment
- Vehicle communication interfaces
- Test and measurement controls
- Security, safety, and fire prevention
- HVAC
- Automotive
- Wearables
Block Diagram
View Results ( 2 ) Page
| N.º de artículo | Hoja de datos | Panel táctil | Resolución de pantalla - Píxeles |
|---|---|---|---|
| EA TFT035-34AINN | ![]() |
Without Touch Panel | 320 x 480 |
| EA TFT035-34AITC | ![]() |
With Touch Panel | 320 x 480 |
Publicado: 2021-01-07
| Actualizado: 2024-11-11

