Diotec Semiconductor DIWOx Fast Switching IGBT Transistors

Diotec Semiconductor DIWOx Fast-Switching IGBT Transistors include a reverse diode and use Trench and Fieldstop technology. These fast-switching speed transistors feature 1350V collector-emitter voltage, soft switching, parallel operation, and are short-circuit proof. The DIWOx fast-switching IGBT transistors are RoHS-compliant and are available in a TO-247 package. Typical applications include frequency inverters, AC-DC motor drives, commercial/industrial grade, and 80Hz to 100Hz switching frequency devices.

Features

  • Trench and Fieldstop technology
  • Fast-switching speed
  • 1350V collector-emitter voltage
  • Soft switching
  • Parallel operation
  • Short-circuit proof
  • RoHS-compliant
  • TO-247 package

Applications

  • Frequency inverters
  • AC-DC motor drives
  • Commercial/industrial grade
  • 80Hz to 100Hz switching frequency devices

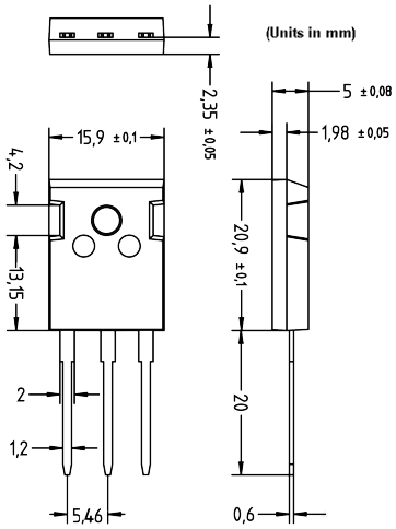
Dimension Diagram

Mechanical Drawing - Diotec Semiconductor DIWOx Fast Switching IGBT Transistors
Publicado: 2024-04-12 | Actualizado: 2024-06-25