Diodes Incorporated ZXLD132X DC-DC Converter Series LED Drivers
Diodes Incorporated ZXLD132X inductive DC-DC converter series LED drivers provide performance capabilities for the next generation of high brightness LEDs. The three flexible devices drive single or multiple LEDs with currents from 700mA through 1.5A, in buck, boost, and buck/boost configurations. Housed in a tiny 3mm X 4mm DFN package, the drivers can reduce the circuit footprint of existing solutions up to 50%.Features
- 2.5V to 15V Input voltage range
- Up to 700mA output current
- User-defined thermal control of LED output current using external thermistor
- High output current stability over input voltage and temperature
- Typical efficiency >80%
- 12μA typical standby current
- LED current adjustable from 100% down to 2%
- Adjustable Soft-Start
- Capable of driving 3 LEDs in series
Applications
- High power LED flashlights
- LED back-up lighting
- General LED lighting
Typical Application Circuit
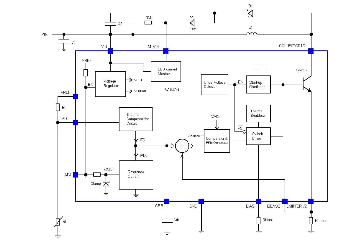
Block Diagram
Publicado: 2008-05-28
| Actualizado: 2022-03-11
