Diodes Incorporated AL1783Q Three-channel PWM Linear LED Driver
Diodes Incorporated AL1783Q Three-channel PWM Linear LED Driver is designed to target automotive LED lighting applications and is attributed to a compact solution. This driver offers independent PWM dimming and current setting controls for each channel. The AL1783Q driver is also attributed to a PWM dimming performance, eBOM cost-effectiveness, ease of system implementation, and low standby power. This driver is available in the TSSOP-16EP package and minimizes external component count and PCB space. The AL1783Q driver features three external ref pins to set LED current for each channel, and this driver is lead-free, and RoHS compliant. This driver operates at a 6.5V to 55V input voltage range and -55°C to 160°C storage temperature range. The AL1783Q driver is used in position, fog, and rear lights.Features
- Three external ref pins to set LED current for each channel
- AEC-Q100 (grade 1) qualified
- Independent PWM dimming control for each channel
- Three external ref pins to set LED current for each channel
- Enter and exit standby power-saving mode automatically
- Robust protections:
- Undervoltage Lockout (UVLO)
- Overvoltage Protection (OVP)
- LED String Open Protection (LED Open)
- Overtemperature Protection (OTP):
- Thermal foldback
- Thermal shutdown
- Automatic thermal recovery
- Fault reporting:
- UVLO
- OTP
- LED open and short
- Lead-free and RoHS-compliant
Specifications
- 6.5V to 55V input voltage range
- ±4% LED current tolerance at 125mA
- 40kHz fast PWM dimming
- -55°C to 160°C storage temperature range
- -40°C to 150°C operating junction temperature range
- -40°C to 125°C operating ambient temperature range
Applications
- Daytime running lights
- Position lights
- Fog lights
- Rear lights
- Stop or taillights
- Interior lighting
Typical Application Circuit Diagram
Block Diagram
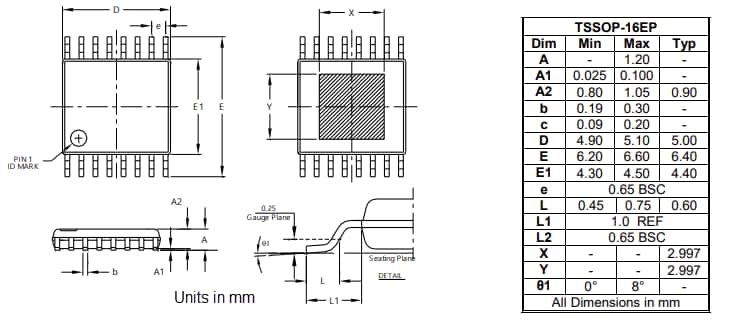
Dimension Diagram
Publicado: 2024-01-31
| Actualizado: 2024-03-07
