CITEL DS220S DIN Rail DC Power Surge Suppressors
CITEL DS220S DIN Rail DC Power Surge Suppressors are designed to be installed inside of an enclosure and in very close proximity to the sensitive equipment that is being protected. These devices are IEC Type 2 DC surge protectors available in either 12VDC or 24VDC and are wired in series or parallel with the load. The DS220S devices also offer MOV technology with common-mode protection.Features
- MOV technology
- Common mode protection
- Symmetrical 35mm DIN rail mounting
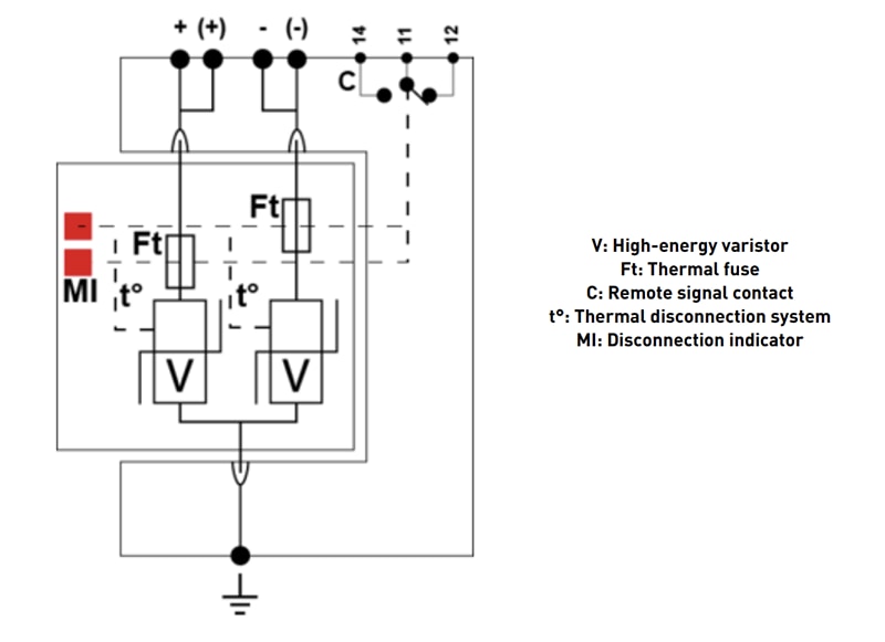
- Disconnection via fuse-link fail-safe behavior
- Visual indicator and remote contacts
- IP20 protection
- IEC 61643-11, EN 61643-11, and UL1449 ed.4 compliant
- RoHS compliant
Specifications
- 20A maximum load current
- Discharge current
- 20kA maximum discharge current
- 40kA total maximum
- 12V or 24V power rating options
- -40°C to +85°C operating temperature range
- Thermoplastic UL94V-0 housing material
- 0.30lbs (0.111kg) in weight
- Screw terminal network connection, 1.5mm2 to 10mm2 active wires and 2.5mm2 to 25mm2 ground
- 2W+G network configuration
Schematic
Videos
View Results ( 2 ) Page
| N.º de artículo | Hoja de datos | Descripción |
|---|---|---|
| DS220S-12DC | ![]() |
Protectores contra sobretensiones industriales Din Rail DC Power Surge Suppressor, 12Vdc, 20kA 8/20 s |
| DS220S-24DC | ![]() |
Protectores contra sobretensiones industriales Din Rail DC Power Surge Suppressor, 24Vdc, 20kA 8/20 s |
Publicado: 2021-04-20
| Actualizado: 2022-03-11

