Broadcom ACPL-K30T MOSFET Drivers

Broadcom ACPL-K30T Automotive Photovoltaic MOSFET Drivers with R²Coupler™ Isolation drive high-voltage MOSFETs while withstanding the extreme heat of automotive under-the-hood applications. ACPL-K30T provides a fast switching speed of 0.8ms (TON), 0.04ms (TOFF) typical at IF=10mA, CL=1nF, and a high open-circuit voltage of 7V typical at IF=10mA.

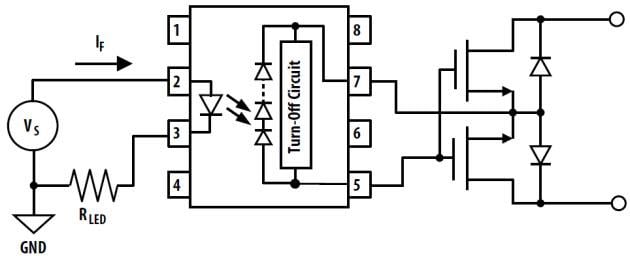
These devices consist of an AlGaAs infrared Light-Emitting Diode (LED) input stage optically coupled to an output detector circuit. The detector features a high-speed photovoltaic diode array and a turn-off circuit. The photovoltaic driver turns on (contact closes) with a minimum input current of 5mA through the input LED. The relay driver turns off (contact opens) with an input voltage of 0.8V or less.

The ACPL-K30T R²Coupler isolation devices provide reinforced insulation and reliability to deliver safe-signal isolation critical in automotive and high-temperature industrial applications with a temperature range of -40°C to +125°C. Qualified to AEC-Q100 Grade 1 Test Guidelines, ACPL-K30T Automotive Photovoltaic MOSFET Drivers are ideal for battery-insulation resistance measurement/leakage detection, BMS flying capacitor topology for sensing batteries, and solid-state relay modules.

Features

  • Qualified to AEC-Q100 Grade 1 Test Guidelines
  • Automotive temperature range: -40°C to +125°C
  • Photovoltaic Driver for High Voltage MOSFETs for Automotive Applications
  • Open Circuit Voltage: 7V Typical at IF =10mA
  • Short Circuit Current: 5μA Typical at IF =10mA
  • Logic Circuit Compatibility
  • Switching Speed: 0.8ms (TON), 0.04ms (TOFF) Typical at IF = 10mA, CL = 1nF
  • Configurable to a wide portfolio of high voltage MOSFETs
  • Galvanic Isolation
  • High Input-to-Output Insulation Voltage
  • Safety and Regulatory Approvals
    • IEC/EN/DIN EN 60747-5-5 Maximum Working Insulation Voltage 1140VPEAK
    • 5000VRMS for 1 minute per UL1577
    • CSA Component Acceptance

Applications

  • Solid State Relay Module
  • BMS Flying Capacitor Topology for Sensing Batteries
  • Battery Insulation Resistance Measurement / Leakage Detection

Typical Application Circuit

Broadcom ACPL-K30T MOSFET Drivers
Publicado: 2015-03-12 | Actualizado: 2025-02-20