Bourns SSD Shunt Current Sensors

Bourns SSD Shunt Current Sensors are 24-bit isolated sensors with CANbus or RS-485/MODBUS interface. These sensors feature a 100A to 1000A current rating (2kA to 20kA peak), 1500VDC reinforced galvanic isolation, and ECC flash memory with autocorrect single-bit errors. The SSD sensors also feature a 0.1% tolerance, a 16-bit 150°C microcontroller, and internal and external CRC data error detection. These sensors include advanced non-linear temperature compensation for battery systems, motor drives, renewable energy, and EV charging station applications.

Features

  • 24-bit isolated shunt current sensor with CANbus or RS-485/MODBUS interface
  • 100A to 1000A current rating (2kA to 20kA peak)
  • 1500VDC reinforced galvanic isolation
  • 0.1% tolerance
  • 16-bit 150°C microcontroller
  • 24-bit ADC with buffered analog inputs
  • ECC flash memory with autocorrect single-bit errors
  • Internal and external CRC data error detection
  • Advanced non-linear temperature compensation

Applications

  • Battery systems
  • Motor drives
  • Renewable energy
  • EV charging station

Specifications

  • ±100A nominal current
  • +2kA/-1kA peak current (no clipping)
  • 300μΩ shunt resistance (excluding primary termination resistance)
  • 5kHz bandwidth
  • <±0.1% + 5mA linearity over current range
  • Up to 1100rps speed (0.9ms to 3300ms per reading)
  • 3500VAC RMS dielectric strength (1 minute)

Videos

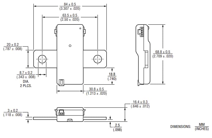
Dimensions

Mechanical Drawing - Bourns SSD Shunt Current Sensors
Publicado: 2024-06-28 | Actualizado: 2026-01-28