Apacer Technology Inc. SV240-300 Serial ATA Flash Drives

Apacer Technology Inc. SV240-300 Serial ATA Flash Drives are well-balanced Solid State Disk (SSD) drives with a standard form factor and outstanding performance. These flash drives deliver up to 560MB/sec sequential read and 600MB/sec burst read/write. Designed with SATA-based connector pinouts and in a SATA 6Gbps interface, SV240-300 drives fully comply with the SATA Revision 3.2 interface specifications delivering superb performance. The SV240-300 serial ATA flash drives feature Advanced Encryption Standard (AES), ensuring the data is always safeguarded. These flash drives feature a 3.3V±5% supply voltage and a 0°C to 70°C standard operating temperature range. The SV240-300 flash drives appear in 50.80mm x 29.85mm x 4.85mm dimensions and include LED indicators for drive behavior.

Features

  • Flash management:
    • Low-Density Parity-Check (LDPC) code
    • Global wear leveling
    • Flash bad-block management
    • Flash translation layer - page mapping
    • S.M.A.R.T.
    • DataDefender
    • Device sleep
    • ATA secure erase
    • TRIM
    • Hyper cache technology
    • Over-provisioning
    • DataRAID
    • SMART Read Refresh
  • Performance:
    • 600MB/sec burst read/write
    • Up to 560MB/sec sequential read
  • 52-pin mSATA connector
  • Security:
    • AES 256-bit hardware encryption
    • Trusted Computing Group (TCG) Opal 2.0 (optional)
  • Reliability:
    • Thermal sensor
    • End-to-End Data protection
  • LED indicators for drive behavior
  • RoHS compliant

Specifications

  • Temperature range:
    • Operating:
      • 0°C to 70°C standard
      • -40°C to 85°C wide
    • -55°C to 100°C storage
  • 3.3V±5% supply voltage
  • >3,000,000 hours MTBF
  • Form factor:
    • JEDEC MO-300
    • 50.80mm x 29.85mm x 4.85mm dimensions
    • 7.8g ± 5% net weight

Functional Block Diagram

Block Diagram - Apacer Technology Inc. SV240-300 Serial ATA Flash Drives

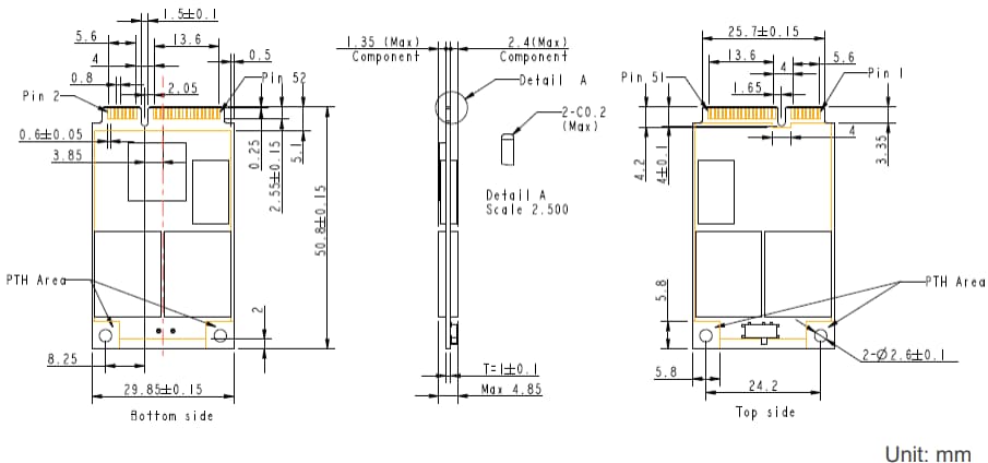
Dimensions

Mechanical Drawing - Apacer Technology Inc. SV240-300 Serial ATA Flash Drives
View Results ( 57 ) Page
N.º de artículo Temperatura de trabajo mínima Temperatura de trabajo máxima Escritura sostenida Lectura sostenida Corriente modo activo Tamaño de memoria
A72.242JGA.00240 0 C + 70 C 480 MB/s 560 MB/s 530 mA 256 GB
A72.242HGA.00277 0 C + 70 C 505 MB/s 565 MB/s 670 mA 128 GB
A72.242HHA.00277 - 40 C + 85 C 505 MB/s 565 MB/s 670 mA 128 GB
A72.242JGA.00377 0 C + 70 C 505 MB/s 565 MB/s 670 mA 256 GB
A72.242JHA.00377 - 40 C + 85 C 505 MB/s 565 MB/s 670 mA 256 GB
A72.242KGA.00377 0 C + 70 C 505 MB/s 565 MB/s 670 mA 512 GB
A72.242KHA.00377 - 40 C + 85 C 505 MB/s 565 MB/s 670 mA 512 GB
A72.243AGA.00377 0 C + 70 C 505 MB/s 565 MB/s 670 mA 1 TB
A72.243AHA.00377 - 40 C + 85 C 505 MB/s 565 MB/s 670 mA 1 TB
A72.243BGA.00277 0 C + 70 C 505 MB/s 565 MB/s 670 mA 2 TB
Publicado: 2023-05-31 | Actualizado: 2026-01-05