Analog Devices / Maxim Integrated MAX32630-EVKIT & MAX32631-EVKIT Evaluation Kits
Analog Devices MAX32630-EVKIT and MAX32631-EVKIT Evaluation Kits provide a demonstration and development platform for the MAX3263x DARWIN Microcontrollers (MCU). These MCUs feature an Arm® Cortex®-M4 with FPU CPU that delivers ultra-low power, high-efficiency signal processing functionality with significantly reduced power consumption and ease of use. Flexible power modes, an intelligent peripheral management unit (PMU), dynamic clock gating, and firmware-controlled power gating optimize power for the specific application. Multiple SPI, UART, I2C, 1-Wire® master, and USB interfaces are provided. The four-input, 10-bit ADC with selectable references can monitor external sensors.Analog Devices MAX32630-EVKIT and MAX32631-EVKIT Evaluation Kits include a pre-mounted MAX32630 soldered directly to the board. The MAX32631-EVKIT Evaluation Kit features a socketed MAX32631. The MAX32631-EVKIT Evaluation Kit can also be used to evaluate the MAX32632 MCU. The Evaluation Kits provide a complete, functional system ideal for development and debugging applications.
Features
- Easily load and debug code using the supplied Olimex ARM-USB-TINY-H JTAG debugger connected through a standard 20-pin Arm JTAG header
- Selectable power sources for PMIC include USB power through CN2, external battery through J2 connector, or bench supply through test points TP12 and TP13
- Selectable power source for on-board peripherals (Switches, LEDs, OLED Display, SPI Flash, BLUETOOTH® LE Transceiver)
- Headers for accessing MAX3263X I/O pins and Analog Front End (AFE) input signals
- USB Micro-B connection to USB-UART bridge selectable between MAX3263x internal UART 0 and UART 1
- MAX3263X internal Real-Time Clock (RTC)
- USB Micro-B connection to MAX3263x USB device controller
- Onboard Bluetooth 4.0 BLE transceiver with chip antenna
- General-purpose pushbutton switches and indicator LEDs connected to GPIOs for user I/O
- Prototyping matrix (0.1" grid) with integrated power rails for customer circuitry
Additional Resources
Videos
Board Layout
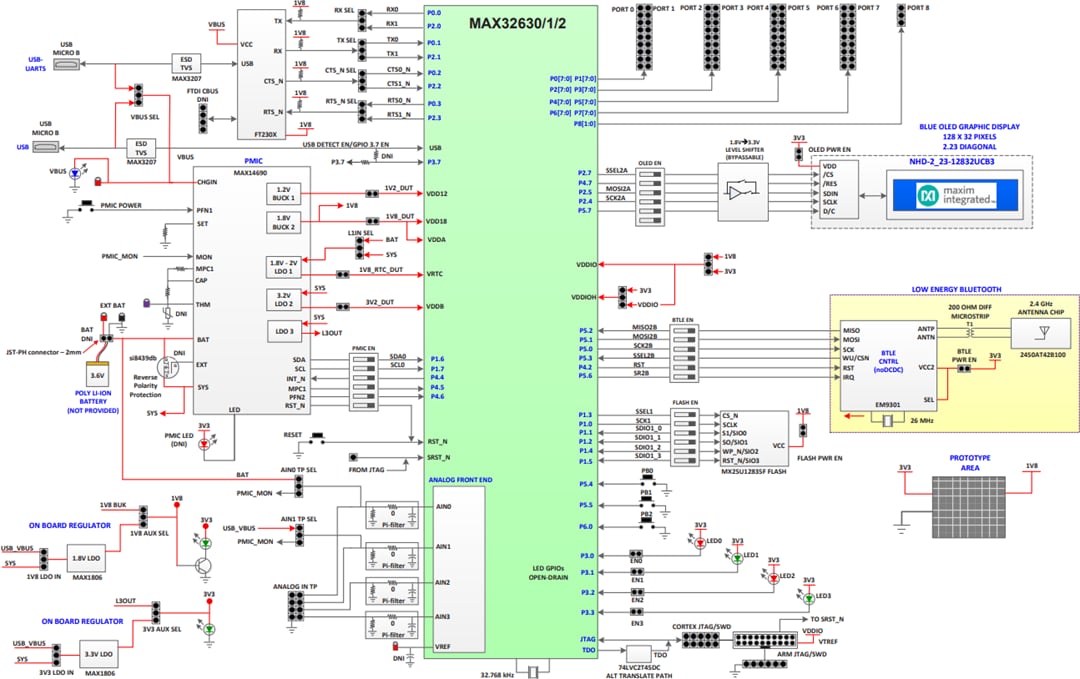
Block Diagram
Publicado: 2016-05-26
| Actualizado: 2023-04-13
