Analog Devices / Maxim Integrated MAX22199 Octal Industrial Digital Input

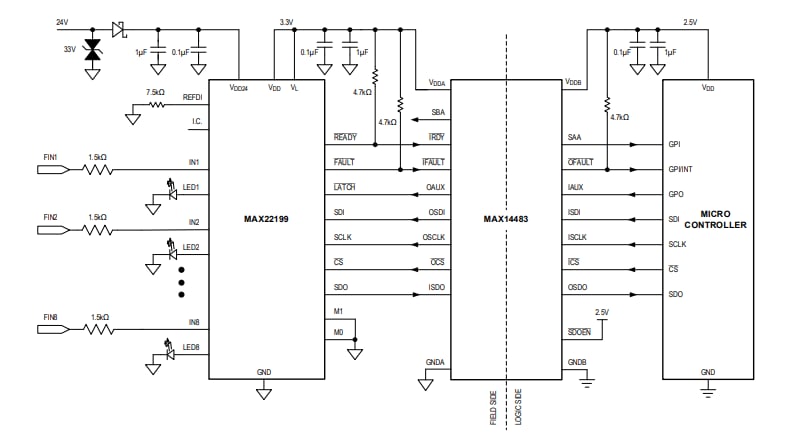
Analog Devices MAX22199 Octal Industrial Digital Input translates eight 24V current-sinking industrial inputs to a serialized SPI-compatible output that interfaces with 3V to 5.5V logic. The IEC 61131-2 compliant industrial digital input device operates as eight Type 1/Type 3 digital inputs or four Type 2 digital inputs. The MAX22199 Octal Industrial Digital Input features diagnostic functions, including thermal shutdown, 24V under voltage alarm, 24V missing voltage alarm, and SPI and CRC communication error detection. All of the faults offer the configuration to generate an interrupt using the FAULT pin.

The Analog Devices MAX22199 has a 4-pin SPI interface and utilizes the LATCH input for synchronizing input data sampling across multiple devices. The SPI interface operates at 3.3V or 5V logic levels controlled by the VL pin and is available in a 5mm x 5mm TQFN package.

Features

  • High integration reduces BOM count and board space
    • Eight input channels with the serializer
    • Operates directly from field supply (7V to 65V)
    • Compatible with 3.3V or 5V logic
    • 5mm x 5mm TQFN Package
  • Reduced power and heat dissipation
    • 0.6mA (typ) Supply current
    • ±11% Accurate input-current limiters
    • Energyless field-side LED drivers
    • Low power dissipation with negative input voltage
  • Fault-tolerant
    • Input protection to ±40V
    • Integrated field-supply voltage monitors
    • 5-Bit CRC SPI error detection
  • Configurability enables a wide range of applications
    • Configurable input current from 0.5mA to 3.4mA
    • Selectable input debounce filtering
    • Current sources can be disabled
    • Supports daisy-chain SPI and direct SPI
  • Robust design
    • ±8kV Contact ESD and ±15kV air-gap ESD using
    • Minimum 1kΩ resistor
    • ±2kV Surge tolerant using minimum 1kΩ resistor
    • -40°C to +125°C Ambient operating temperature
  • Advanced diagnostics can be provided by MAX22190
    • Pin-to-Pin compatible
    • Register compatible

Applications

  • Programmable logic controllers
  • Distributed control system
  • Motor control
  • Building automation

Block Diagram

Block Diagram - Analog Devices / Maxim Integrated MAX22199 Octal Industrial Digital Input
Publicado: 2021-11-09 | Actualizado: 2023-04-17