Analog Devices / Maxim Integrated MAX17536 Evaluation Kit
Analog Devices Inc. MAX17536 Evaluation Kit evaluates the MAX17536 5V output, 60V, 4A high-efficiency, current-mode, synchronous step-down DC-DC switching power module. The MAX17536 eval kit features a 7V to 60V voltage range, 4A load current with a 5V output voltage, and is programmed to switch at 450kHz. This eval kit offers cycle-by-cycle peak current-limit protection, EN/Under-Voltage Lock-Out (EN/UVLO), and thermal breakdown. The MAX17536 kit is simple to use, easily configurable, and has a compact 29-pin SiP package.Features
- Wide 7V to 60V input range
- Highly integrated solution with built-in shielded inductor
- Programmed 5V output and up to 4A output current
- 450kHz switching frequency
- Offers high 92.1% efficiency (VIN = 24V, VOUT = 5V, and IOUT = 2.5A)
- All ceramic capacitors and ultra-compact solution
- Selectable PWM, DCM, and PFM modes
- Programmable 4ms soft-start time and Prebias startup
- Open-Drain RESET output pulled up to 5V VCC
- Programmable EN/UVLO threshold
- Provision for external frequency synchronization
- Hiccup Over-Current Protection (OCP)
- Over-Temperature Protection (OTP)
- -40°C to 125°C industrial temperature range
- Complies with CISPR22 (EN55022) Class B
- Conducted and radiated emissions
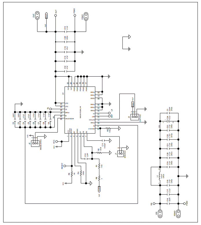
Schematic Diagram
Publicado: 2019-11-19
| Actualizado: 2023-05-04
