Analog Devices Inc. HMC1096 Frequency Multiplier
Analog Devices HMC1096 is an MMIC x2 active broadband frequency multiplier developed using GaAs pHEMT technology. Housed in a low-stress, injection-molded plastic SMT package, the HMC1096 frequency multiplier features DC blocked I/Os. When driven by a 0dBm signal, the HMC1096 frequency multiplier delivers a typical +12dBm output power from 3.8GHz to 5.6GHz. HMC1096's Fo and 3 Fo isolations provide +22dBc with respect to the output signal level. This Analog Devices frequency multiplier is ideal for use in LO multiplier chains for point-to-point and VSAT radios.Features
- 12dBm output power
- -2 to +5dBm input power drive
- +22dBc Fo, 3 Fo isolation
- +5V @ 100mA single supply
- 16-lead 3mm x 3mm SMT package
- 1.9GHz to 2.8GHz input frequency range
- 3.8GHz to 5.6GHz output frequency range
- 12dB input return loss
- 8dB output return loss
Applications
- Point-to-point and VSAT radios
- Test instrumentation
- Military and space
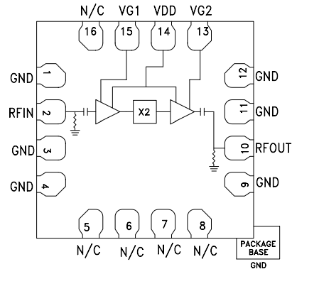
Functional Diagram
Publicado: 2017-01-11
| Actualizado: 2022-03-11
