Analog Devices Inc. LTM4655 Demonstration Circuit DC2594A

Analog Devices Inc. LTM4655 Demonstration Circuit DC2594A offers an easy method to measure and evaluate the LTM4655 Dual/Single Inverting μModule® Regulators. The LTM4655 is an EN55022B compliant 40V, dual 4A or single 8A step-down or 50W inverting DC/DC μModule Regulator.

The ADI LTM4655 Demonstration Circuit DC2594A has set switching frequencies of both channels at 1.2MHz. Suppose the output voltage collapses sufficiently due to an overload or short-circuit condition. In that case, the internal oscillator will fold back to one-fifth of the LTM4655’s programmed switching frequency, protecting the power switch from damage.

Features

  • SSFM jumper for spread spectrum options
  • CLKIN inputs for external sync
  • PGOOD signals for each output

Overview

Analog Devices Inc. LTM4655 Demonstration Circuit DC2594A

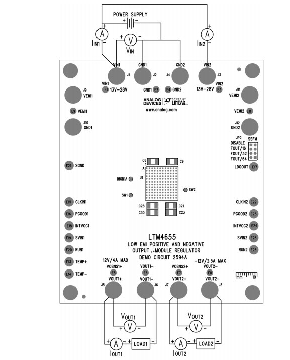
Proper Equipment Setup

Location Circuit - Analog Devices Inc. LTM4655 Demonstration Circuit DC2594A
Publicado: 2021-08-13 | Actualizado: 2022-03-11