Analog Devices Inc. ADM4853 RS-485/RS-422 Transceiver

Analog Devices ADM4853 RS-485/RS-422 differential line transceiver is designed for high-speed, half-duplex and full-duplex data communication on multipoint bus transmission lines. The transceiver provides balanced data transmission and complies with EIA Standards RS-485 and RS-422. This half-duplex transceiver shares differential lines and has separate enable inputs for the driver and receiver. The transceiver provides a 1/8-unit load receiver input impedance. This allows up to 256 transceivers on one bus. Only one driver is enabled at a given time.

The disabled or powered down driver's output is three-stated to avoid overloading the bus. The receiver inputs include a true fail-safe feature. The fail-safe feature ensures a logic high output level when the inputs are shorted or open. This guarantees that the receiver outputs are in a known state before communication begins and when communication ends. The driver outputs are slew-rate limited to reduce EMI and data errors caused by reflections from improperly terminated buses. A thermal shutdown circuit prevents excessive power dissipation caused by bus contention or by output shorting.

Features

  • Electronics industries alliance (EIA) RS-485/RS-422 compliant
  • Data rate: 10Mbps
  • Half-duplex and full-duplex options
  • Reduced slew rates for low electromagnetic interference (EMI)
  • True fail-safe receiver inputs
  • 5μA (maximum) supply current in shutdown mode
  • Up to 256 transceivers on one bus
  • Outputs high-Z when disabled or powered off
  • -7V to +12V bus common-mode range
  • Thermal shutdown and short-circuit protection
  • Specified over the -40°C to +85°C temperature range
  • Qualified for automotive applications

Applications

  • Low power RS-485 applications
  • EMI sensitive systems
  • DTE to DCE interfaces
  • Industrial control
  • Packet switching
  • Local area networks
  • Level translators

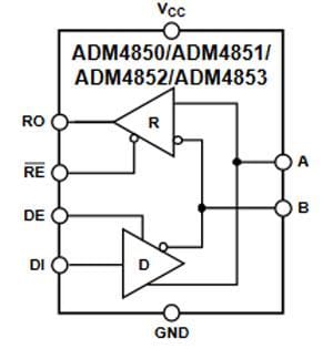
Functional Block Diagram

Block Diagram - Analog Devices Inc. ADM4853 RS-485/RS-422 Transceiver
Publicado: 2016-10-31 | Actualizado: 2022-03-11