ams OSRAM Power TOPLED® Enhanced Thinfilm LEDs

ams OSRAM Power TOPLED® Enhanced Thinfilm LEDs can handle a maximum forward current up to 70mA and an ambient temperature up to 100°C. The OSRAM Power TOPLED provide more light due to higher optical efficiency. The ams OSRAM Power TOPLED is ideal for a broad range of automotive and industrial lighting applications.

Features

  • Package: white PLCC-4 package, colorless clear resin
  • Chip technology: Thinfilm
  • Wide variety of colors, including Amber, Blue, Orange, Red, White, and Yellow
  • Viewing angle at 50% IV: 120°
  • -40°C to +100°C operating temperature range
  • AEC-Q101 qualified options available

Applications

  • Signaling
  • Backlighting
  • Automotive lighting
  • Signal and symbol luminary

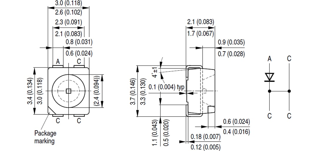
Package Outline

Mechanical Drawing - ams OSRAM Power TOPLED® Enhanced Thinfilm LEDs
Publicado: 2010-09-03 | Actualizado: 2023-11-09