Amphenol Socapex μCOM USBC 3.2 Gen 2 Rugged Connectors & Assemblies

Amphenol Socapex μCOM USBC 3.2 Gen 2 Rugged Connectors and Cable Assemblies offer a miniaturized ruggedized solution for USB Type-C® standard connectors. These harsh environment solutions feature a 15mm maximum outer diameter and offer push-pull or threaded coupling. Amphenol Socapex μCOM USBC 3.2 strengthens and protects devices against fluids, dust, shocks, and disconnection due to vibration. These cable assemblies also achieve reversibility for data and power transmission for receptacles. The series provides users with the USB-C flexibility to design many different data, power delivery, and video configurations with the advantages of Amphenol Socapex know-how in ruggedized connector solutions.

Features

  • 15mm maximum diameter with guaranteed performance of
    • Up to 1m - compatible with USB3.2 Gen2 data speeds
    • 1m to 2m - compatible with USB 3.2 Gen1 data speeds
  • Shock-, vibration-, and traction-resistant
  • IP68 sealing unmated and mated (1m per hour)
  • Supports DP1.4 Alt mode for video transmission
  • Machined brass shells in ROHS-compliant Black Zinc Nickel plating (500 hours salt spray)
  • Mating plug/receptacle cycles
    • 2000 cycles (push-pull version)
    • 500 cycles (threaded version)

Applications

  • C6ISR
  • Data acquisition and transmission in harsh environments
  • Naval/defense communications and ground vehicles
  • Rugged computing and displays
  • Wearables

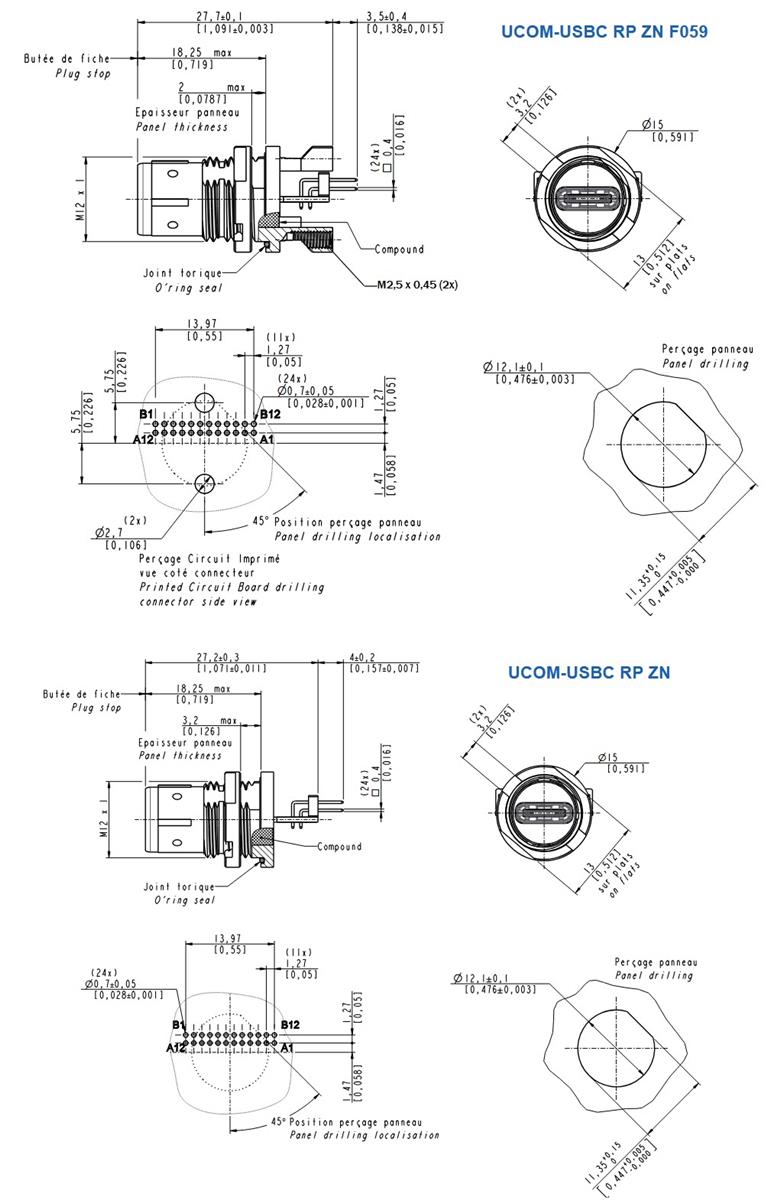
UCOM-USBC RP ZN Dimensions

Mechanical Drawing - Amphenol Socapex μCOM USBC 3.2 Gen 2 Rugged Connectors & Assemblies

UCOM-USBC PP ZN & PT ZN Dimensions

Mechanical Drawing - Amphenol Socapex μCOM USBC 3.2 Gen 2 Rugged Connectors & Assemblies

UCOM-USBC PP RA ZN & PT RA ZN Dimensions

Mechanical Drawing - Amphenol Socapex μCOM USBC 3.2 Gen 2 Rugged Connectors & Assemblies
Publicado: 2026-02-13 | Actualizado: 2026-03-11