Alps Alpine EC21A Ring-Type Encoders

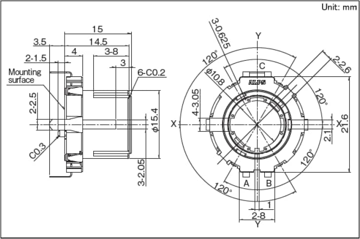
Alps Alpine EC21A Ring-Type Encoders feature a 10mA, 5VDC electrical rating and a two-phase A and B output signal. These encoders offer 100MΩ 250VDC insulation resistance with an available 9/18 or 15/30 pulse/detent count. Alps Alpine EC21A Encoders measure 21.6mm x 21.6mm x 4mm while the actuators measure 15mm in length. Alps Alpine EC21A Ring-Type Encoders withstand 50,000 life cycles and can operate in temperatures ranging from -40°C to +85°C. 

Features

  • 15mm actuator length
  • 9/18 or 15/30 pulse/detent count
  • -40°C to +85°C operating temperature range
  • 10mA, 5VDC electrical performance
  • Two-phase A and B
  • 50,000 life cycles
  • 12±5mN⋅m detent torque
  • 300VAC for 1 minute or 360VAC for 2s

Dimensions

Mechanical Drawing - Alps Alpine EC21A Ring-Type Encoders
Publicado: 2018-03-27 | Actualizado: 2022-07-18