Allegro MicroSystems A8650 2A Synchronous Buck Regulators
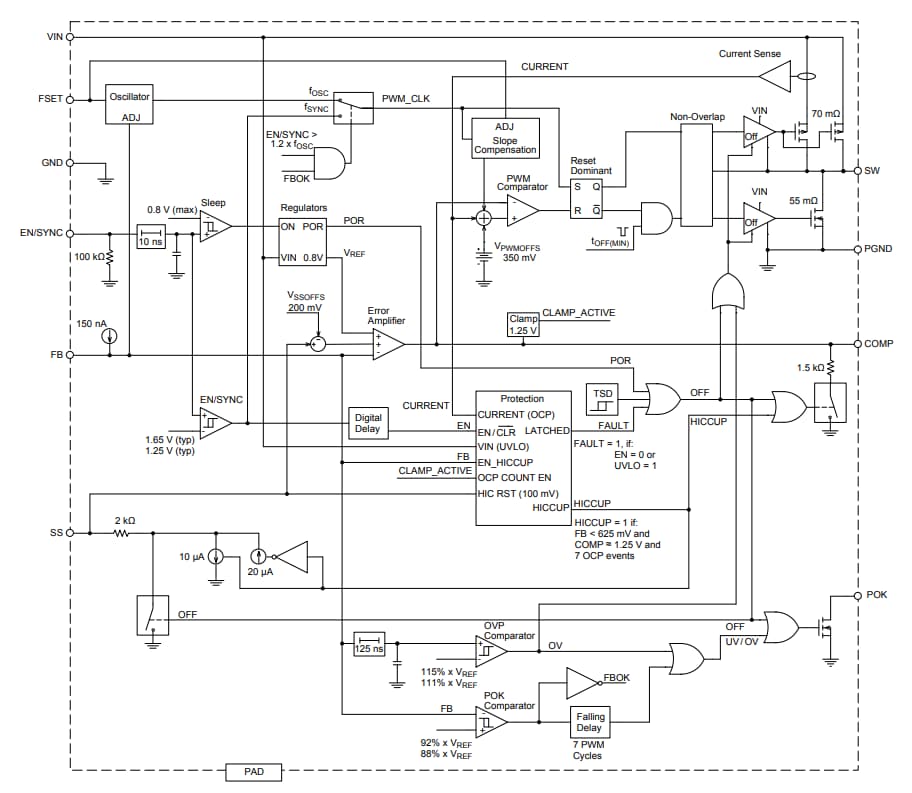
Allegro MicroSystems A8650 2A Synchronous Buck Regulators are PWM regulators with adjustable frequency and high output current. The device integrates a high-side P-channel MOSFET and a low-side N-channel MOSFET. The A8650 features current-mode control to deliver simple compensation, excellent loop stability, and fast transient response. The A8650 utilizes external compensation to adapt to a wide range of power components. This optimizes transient response without sacrificing stability. The A8650 regulates input voltages from 2.5V to 5.5V, down to output voltages as low as 0.8V, and can supply at least 2.0A of load current.The Allegro MicroSystems A8650 regulator includes an externally adjustable switching frequency and a set soft-start time to minimize inrush currents. The device also provides an EN/SYNC input to enable VOUT and synchronize the PWM switching frequency and a Power OK (POK) output to indicate when VOUT is within regulation. The A8650 control circuitry offers a sleep mode current of less than 3μA. Protection features include VIN undervoltage lockout (UVLO), cycle-by-cycle overcurrent protection (OCP), hiccup mode short circuit protection (HIC), overvoltage protection (OVP), and thermal shutdown (TSD). In addition, the A8650 provides open circuit, adjacent pin short circuit, and short-to-ground protection at every pin to satisfy the most demanding automotive applications.
The A8650 is housed in both 10-pin MSOP and DFN packages with an exposed pad for enhanced thermal dissipation. The package is lead-free (Pb), with 100% matte tin and lead frame plating.
Features
- Automotive AEC-Q100 qualified
- 2.5V to 5.5V operating voltage range
- UVLO stop threshold of 2.25V (maximum)
- Adjustable switching frequency (fOSC) of 0.25MHz to 2.45MHz
- 1.2 x to 1.5 x fOSC (typical) synchronizes to an external clock
- Internal 70mΩ high-side switching MOSFET
- Internal 55mΩ low-side switching MOSFET
- Capable of at least 2.0A steady-state output current
- Sleep mode supply current less than 3μA
- Adjustable output voltage as low as 0.8V with ±1% accuracy from -40°C to +125°C
- Soft start time externally set via the SS pin
- Pre-biased startup capable
- Externally adjustable compensation
- Stable with ceramic output capacitors
- Enable input, and Power OK (POK) output
- Cycle-by-cycle current limiting (OCP)
- Hiccup mode short circuit protection (HIC)
- Overvoltage protection (OVP)
- Overtemperature protection (TSD)
- Open circuit and adjacent pin short circuit tolerant
- Short to ground tolerant at every pin
Applications
- GPS/Infotainment
- Automobile audio
- Home audio
- Network and telecom
Typical Application Diagram
Block Diagram
