Allegro MicroSystems A6211 PWM Dimmable Buck Regulator LED Driver

Allegro MicroSystems A6211 PWM Dimmable Buck Regulator LED Driver is a single IC switching regulator that provides constant-current output to drive high-power LEDs. This driver integrates a high-side N-channel DMOS switch for DC-to-DC step-down conversion, and the output current is user-selectable by an external current sense resistor. The output voltage is automatically adjusted to drive various numbers of LEDs in a single string, ensuring optimal system efficiency. LED dimming is accomplished by a direct logic input pulse-width modulation (PWM) signal at the enable pin. Allegro MicroSystems A6211 PWM Dimmable Buck Regulator LED Driver comes in a compact 8-pin narrow SOIC package with an exposed pad for enhanced thermal dissipation. 

Features

  • True average output current control
  • Cycle-by-cycle current limit
  • Integrated MOSFET switch
  • Dimming via direct logic input or power supply voltage
  • Internal control loop compensation
  • Undervoltage lockout (UVLO) and thermal shutdown protection
  • Low power shutdown (1μA typical)
  • Robust protection against
    • Adjacent pin-to-pin short
    • Pin-to-GND short
    • Component open/short faults

Applications

  • General illumination
  • Scanners and multifunction printers (light bars)
  • Architectural lighting
  • Industrial lighting
  • Display case lighting / MR16

Specifications

  • 6V to 48V supply voltage range
  • 3A maximum output over operating temperature range
  • -40°C to +105°C ambient operating temperature range
  • Compact, 8-pin narrow SOIC package

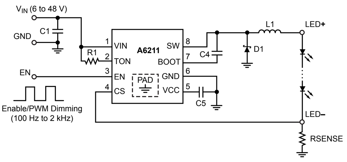
Typical Application Circuit

Allegro MicroSystems A6211 PWM Dimmable Buck Regulator LED Driver
Publicado: 2023-05-16 | Actualizado: 2023-05-19